Máy ảnh Global Shutter Raspberry Pi 1.6MP(máy ảnh màn trập toàn cầu)
Đây là module camera mới nhất của Raspberry Pi, có thiết kế tương đồng với Raspberry Pi High Quality Camera và sử dụng chung khung kim loại cho ngàm ống kính CS. Nhờ đó, các ống kính chuẩn CS/C dành cho camera Raspberry Pi HQ đều có thể dùng chung với module camera màn trập toàn cầu, ví dụ như:
- Ống Kính Raspberry Pi 6mm Wide Angle (CS Mount)
- Ống Kính Raspberry Pi 16mm Telephoto (C Mount)
- Ống kính Raspberry Pi HQ 35mm (C Mount)
- Ống kính Raspberry Pi HQ Camera 8 – 50mm

Raspberry Pi Global Shutter Camera là giải pháp camera mới nhất đến từ Raspberry Pi, được trang bị cảm biến SONY IMX296 độ phân giải 1,6 megapixel cùng màn trập GLOBAL tích hợp. Sản phẩm đặc biệt phù hợp cho các ứng dụng đòi hỏi hình ảnh chính xác trong điều kiện chuyển động nhanh (RAPID MOTION), chẳng hạn như:
- Chụp ảnh và quay video tốc độ cao: Phù hợp để ghi lại các đối tượng hoặc sự kiện chuyển động nhanh như thể thao hay thí nghiệm khoa học, nơi hiện tượng nhòe chuyển động có thể làm sai lệch hình ảnh và ảnh hưởng đến độ chính xác.
- Robot và tự động hóa: Ứng dụng hiệu quả trong sản xuất, kiểm tra và các môi trường công nghiệp, nơi việc xác định chính xác vị trí và hướng của các đối tượng di chuyển nhanh đóng vai trò then chốt trong kiểm soát chất lượng.
- Thực tế tăng cường và thực tế ảo (AR/VR): Đáp ứng tốt các ứng dụng yêu cầu ghi nhận và hiển thị chính xác các đối tượng chuyển động nhanh theo thời gian thực, mang lại trải nghiệm liền mạch và chân thực.
- An ninh và giám sát: Thích hợp cho các hệ thống giám sát cần theo dõi và nhận diện chính xác người hoặc phương tiện di chuyển nhanh nhằm phục vụ mục đích an ninh.
- Ngành ô tô: Ứng dụng trong hệ thống hỗ trợ lái xe nâng cao và xe tự hành, nơi camera phải ghi nhận chính xác các vật thể chuyển động nhanh như phương tiện khác hoặc người đi bộ để đảm bảo vận hành an toàn và tin cậy.
Công nghệ màn trập toàn cầu cho phép ghi lại chuyển động nhanh mà không xuất hiện hiện tượng nhòe hình thường gặp ở camera sử dụng màn trập cuộn (rolling shutter).

Các camera sử dụng màn trập thông thường còn được gọi là màn trập cuộn (rolling shutter). Hình ảnh minh họa dưới đây thể hiện sự khác biệt khi chụp một chiếc quạt đang quay bằng camera Neo sCMOS ở hai chế độ phơi sáng: màn trập cuộn và màn trập toàn cầu, với cùng thời gian phơi sáng. Hiện tượng biến dạng không gian do “hiệu ứng màn trập cuộn” có thể quan sát rõ ở hình bên trái. Ngược lại, màn trập toàn cầu hoạt động theo cơ chế “chụp tức thời”, giúp loại bỏ biến dạng không gian và cho hình ảnh chính xác hơn.

Với kích thước điểm ảnh lớn 3,45 µm × 3,45 µm, máy ảnh Global Shutter Raspberry Pi 1.6MP sở hữu độ nhạy sáng cao và có khả năng hoạt động với thời gian phơi sáng rất ngắn (tối thiểu 30 µs trong điều kiện đủ sáng), mang lại lợi thế rõ rệt cho các ứng dụng chụp ảnh tốc độ cao. Tương tự nhiều cảm biến màn trập toàn cầu khác, Sony IMX296 có độ phân giải thấp hơn so với các cảm biến màn trập cuộn có kích thước tương đương. Mức độ phân giải này lại đặc biệt phù hợp cho các bài toán thị giác máy, nơi việc xử lý hình ảnh độ phân giải quá cao theo thời gian thực thường gặp nhiều hạn chế. Nhờ độ phân giải thấp hơn, khi kết hợp với mức phóng đại ống kính phù hợp, hình ảnh thu được có thể được sử dụng trực tiếp cho các mô hình thị giác máy mà không cần xử lý bổ sung phức tạp.
Bộ sản phẩm máy ảnh Global Shutter Raspberry Pi 1.6MP bao gồm bo mạch tích hợp cảm biến Sony IMX296 sử dụng màn trập toàn cầu, cáp FFC (Flexible Flat Cable) để kết nối với máy tính Raspberry Pi, ngàm ống kính bằng nhôm phay CNC kèm chân đế ba trụ tích hợp và vòng chỉnh tiêu cự, nắp lưng bằng nhựa có thể tháo rời để bảo vệ linh kiện, cùng bộ chuyển đổi ngàm từ C sang CS.
Mô-đun camera màn trập toàn cầu hoạt động theo nguyên lý phơi sáng đồng thời toàn bộ các pixel trên cảm biến, thay vì quét lần lượt theo từng dòng như màn trập cuộn. Cơ chế này đảm bảo mọi pixel đều được tiếp xúc ánh sáng tại cùng một thời điểm, giúp hình ảnh thu được không bị biến dạng hình học hay nhòe chuyển động do đối tượng di chuyển trong quá trình quét.
Nhờ những đặc tính này, mô-đun camera màn trập toàn cầu mang lại nhiều lợi ích thiết thực. Thiết bị giúp nâng cao chất lượng hình ảnh và video trong các môi trường có chuyển động nhanh hoặc nhịp độ cao, điển hình như thể thao, các cảnh hành động hoặc ứng dụng robot. Đồng thời, việc loại bỏ hiện tượng nhòe do chuyển động cũng góp phần cải thiện độ chính xác của các phép đo từ hình ảnh, giúp việc xác định vị trí và hướng của đối tượng trở nên đáng tin cậy hơn.

Mô-đun máy ảnh Global Shutter Raspberry Pi 1.6MP được trang bị sẵn cáp FFC tiêu chuẩn 15 chân, chiều dài 20 cm, cho phép kết nối trực tiếp với bo mạch Raspberry Pi. Camera Global Shutter được thiết kế để tương thích với các ống kính có thể thay thế sử dụng ngàm C và CS. Ngoài ra, người dùng cũng có thể mở rộng khả năng tương thích sang các chuẩn ngàm khác thông qua bộ chuyển đổi ống kính từ bên thứ ba.
Bên cạnh đó, trong trường hợp cần tăng khoảng cách lắp đặt giữa camera và Raspberry Pi, bạn có thể lựa chọn sử dụng các loại cáp FFC dài hơn phù hợp với nhu cầu.
Cáp FFC Raspberry Pi Camera 50cm
Cáp FFC Raspberry Pi Camera 1m
Với camera màn trập toàn cầu này, giờ đây bạn có thể chụp ảnh tốc độ cao bằng Raspberry Pi và với ống kính có thể điều chỉnh để có các điểm lấy nét và khẩu độ khác nhau. Sản phẩm tương thích với các thiết bị:
- Raspberry Pi 5 (bạn cần cáp CSI nhỏ)
- Raspberry Pi 4
- Raspberry Pi 3 Model B+
- Raspberry Pi Zero 2 W (bạn sẽ cần dây cáp CSI nhỏ hơn)
- Raspberry Pi Zero W (Wireless) (bạn sẽ cần dây cáp CSI nhỏ hơn)
Lưu ý:
-
Máy ảnh Global Shutter Raspberry Pi 1.6MP KHÔNG đi kèm với ống kính và PHẢI có ống kính để hoạt động, vì vậy hãy mua riêng hoặc mua bộ dụng cụ hoàn chỉnh.
- Mô-đun Camera màn trập toàn cầu này KHÔNG tương thích với phiên bản đầu tiên của bo mạch Raspberry Pi Zero không đi kèm với cổng CSI.
Thông số kỹ thuật máy ảnh Global Shutter Raspberry Pi 1.6MP
-
Cảm biến hình ảnh:
-
SONY IMX296LQR-C
-
1.58 Megapixels (màu)
-
Màn trập toàn cầu tích hợp (global shutter)
-
-
Kích cỡ cảm biến: đường chéo cảm biến 6.3mm
-
Kích cỡ Pixel : 3.45µm x 3.45µm
-
Chuẩn ảnh Đầu ra: RAW10
-
Back Focus: Có thẻ điều chỉnh được (12.5mm – 22.4mm)
-
Các chuẩn ống kính:
-
Ngàm CS
-
Ngàm C (Bộ chuyển đổi ngàm C-CS đi kèm và được gắn trên máy ảnh theo mặc định)
-
-
Không bao gồm thấu kính lấy nét, nhưng PHẢI có một thấu kính, bạn cần mua riêng, ví dụ các lens dưới đây:
-
Bộ lọc cắt IR: tích hợp
-
Chiều dài cáp băng/FFC: 150mm
-
Giá ba chân: 1/4″ – 20
-
Chuẩn:
-
FCC 47 CFR Part 15, Subpart B, Class B Digital Device
-
Yêu cầu Tương thích Điện từ (EMC) 2014/30/EU
-
Yêu cầu hạn chế các chất độc hại (RoHS) 2011/65/EU
Kết nối với bo mạch Raspberry Pi thông qua cáp FFC/Ribbon (đi kèm) -
-
Trọng lượng: 34g (41g với bộ chuyển đổi và nắp chống bụi)
-
Hệ số hình dạng: 38 x 38 x 19,8mm (bộ chuyển đổi 29,5mm và nắp chống bụi)
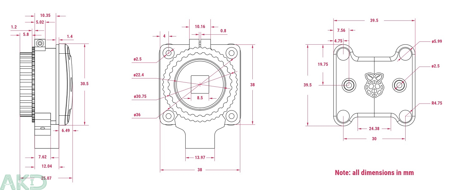
Kích thước của máy ảnh Global Shutter Raspberry Pi 1.6MP

Bộ sản phẩm máy ảnh Global Shutter Raspberry Pi 1.6MP bao gồm:
- 1 x Mô-đun máy ảnh màn trập toàn cầu Raspberry Pi chính hãng, với nắp lưng nhựa có thể tháo rời
- 1 x Adapter chuyển từ ngàm C sang ngàm CS được gắn sẵn
- 1 x Nắp chống bụi
- 1 x Cáp FFC (150mm)
- 1 x Công cụ điều chỉnh lấy nét sau (tuốc nơ vít 2 cạnh, trong hộp)



















